Ctm Drives

Factory: +1(862) 282-4823

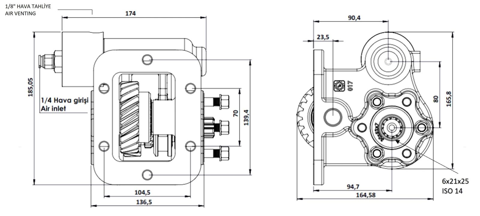
P.T.O

017 BE KV

TECHNIC SPECIFICATIONS – TECHNIC INFORMATIONS
PTO CODE – PTO CODE 017 BE KV
VEHICLE BRAND – TRUCK BRAND CHRYSLER
MAIN TRANSMISSION MODEL – GEARBOX MODEL T 5 X 22 76, T 5 X 22 92, T5V 22 45, T5V 22 62
CONNECTION DIRECTION – MOUNTING SIDE  LEFT SIGHT/LEFT SIGHT
PTO FEATURE – PTO TYPE DOUBLE GEAR – VACUUM / DOUBLE THREAD – VACUUM
Conversion Rate / Ratio 1.29
OUTPUT TORQUE- OUTLET TORQUE 200 NM
POWER – POWER (KW) ( 1000 RPM) 21 kW
WEIGHT-WEIGHT 11KG
DIRECTION OF ROTATION – ROTATION SENSE RIGHT / RIGHT
GEAR TYPE LEFT HELICAL/LEFT HELICAL

 

BROCHURE: Brochure

Category

Reviews

There are no reviews yet.

Be the first to review “017 BE KV”

Your email address will not be published. Required fields are marked *

Open chat
Hello!
How can I help you?